Обзор
Для соответствия развитию коммутационного электрооборудования и удовлетворения современных требований энергоснабжающих организаций, наша компания разработала новый электродвигательный заземляющий выключатель на основе существующих обычных заземляющих выключателей. Это решение устраняет проблему нестабильности отечественных электродвигательных заземляющих выключателей.
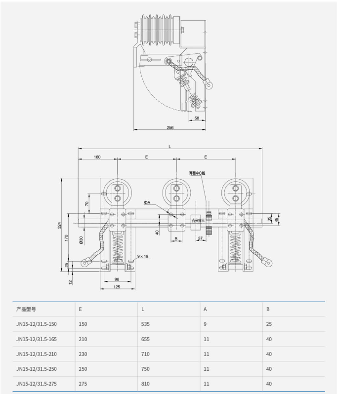
Чтобы сохранить стиль применения заземляющих выключателей в существующих средне- и высоковольтных корпусах, к заземляющим выключателям для напряжений 650, 800, 1000 и 24 кВ были добавлены функции электродвигательного механизма и контроллера, при этом сохранены все характеристики исходных заземляющих выключателей. Благодаря этому реализовано электродвигательное управление заземляющим выключателем — оно может использоваться как в электродвигательном, так и в ручном режиме.
Условия эксплуатации
- Температура окружающего воздуха: верхний предел +40 °C, нижний предел -10 °C;
- Высота над уровнем моря: не более 1000 метров;
- Условия влажности: среднесуточное относительное влажность не превышает 95%, среднемесячное относительное влажность не превышает 90%;
- Сила землетрясений: не более 8 баллов;
- Класс загрязнения: Класс Ⅰ.