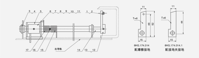
Сборочная схема блокировочного устройства направляющих (5HG.363.011)
Сборочная схема блокировочного устройства направляющих (5HG.363.011)