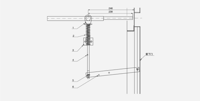
Как стандартизированный компонент блокировки с совместимостью с различными направляющими, он адаптируется к корпусам шириной 600mm–1000mm для напряжений 12kV/24kV, совместим с тележками популярных вакуумных выключателей типов VD4, VS1 и др. Обеспечивает тройные механические ограничения для позиционирования тележки, состояния включения/отключения заземляющего выключателя и открытия/закрытия дверцы шкафа, позволяет осуществлять быструю сборку без модернизации корпуса. Подходит для серийного производства новых распределительных шкафов, модернизации систем предотвращения ошибочных операций старых корпусов и проектов с комбинированным использованием направляющих из разных материалов.
- 12kV/24kV среднерамные высоковольтные распределительные шкафы
Адаптируется к тележкам выключателей с номинальным током ≤3150A, реализует тройную взаимную блокировку тележки, заземляющего выключателя и дверцы шкафа, гарантирует безопасность во всем цикле технического обслуживания распределительных шкафов, особенно подходит для электроподстанций с высокой частотой операций.
- Проекты с комбинированным использованием направляющих из разных материалов
Обеспечивает бесшовную интеграцию с алюминиевыми, медными и стальными направляющими второго поколения, решает проблему совместимости традиционных механизмов блокировки только с одним типом направляющих и снижает затраты на управление материальными ресурсами проекта.
- Модернизация систем предотвращения ошибочных операций старых распределительных шкафов
Заменяет механизмы блокировки первого поколения, устраняет проблемы их частого заклинивания, низкой надежности и недостаточной совместимости, повышает класс защиты оборудования от ошибочных операций и продлевает срок службы корпусов шкафов.